
MTI电容位移传感器探头
(标准规格的电容探头以达到纳米级别的分辨率并且有好的稳定性)
电容位移传感器的应用
显微镜聚焦 „镜头的对准 „测量零件的外形 „测量零件的倾斜 „测量半导体硅片的厚度 „测量压电平台的位移 „测量振动 „测量电脑硬盘运行和厚度 „测量刹车盘的翘曲和厚度 „测量金属板的厚度 „测量光伏晶圆

MTI 标准探头的特点
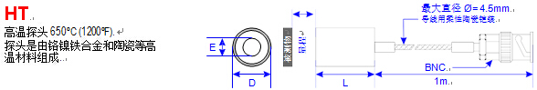
● 电缆和探头使用的的温度范围: -130ºC -- 200ºC (也有高温探头)
● 连接头的使用温度范围: -65ºC -- 85ºC
● 精度: 高于满量程的±0.02% (当探头和放大器经过和被测物校准后)
● 标准放大器滤波带宽: 500Hz
● 可选滤波带宽 10Hz, 100Hz, 1kHz, 2kHz, 5kHz 以及 660Hz-Bessel
● 1分辨率 RMS: (0.000423 x 滤波带宽 Hz + 1.2) x 0.00002 x 量程
● 探头和电缆互换性: ± 0.5%(在没有经过校准的情况下互换)
● 承受压力范围: 14MPa- (不适用于高温探头)
● 材料: 不锈钢结构,内部没有电子元器件
● 带线缆的探头,同轴电缆长度: 2.4m (可选延长线缆.)

型号 ASP-1-ILR | 量程 | 扩展量程 | 感度 | 感测直径E | 探头直径D | 探头长度L | 最小范围 |
µm 25.4 | 10 | µm/V 2.54 | mm 1.09 | mm 2.36 | mm 9.53 | µm 1.270 | |
ASP-2-ILR | 50.8 | 10 | 5.08 | 1.55 | 2.84 | 9.53 | 2.540 |
ASP-5-ILR | 127.0 | 10 | 12.70 | 2.49 | 3.96 | 9.53 | 6.350 |
ASP-10-ILR | 254.0 | 10 | 25.40 | 3.53 | 5.54 | 9.53 | 12.700 |
ASP-20-ILR | 508.0 | 4 | 50.80 | 5.00 | 7.92 | 9.53 | 25.400 |
ASP-50-ILR | 1270.0 | 3 | 127.00 | 7.98 | 13.87 | 9.53 | 63.500 |
ASP-100-ILR | 2540.0 | 2 | 254.00 | 11.25 | 25.40 | 9.53 | 127.000 |
ASP-200-ILR | 5080.0 | 2 | 508.00 | 15.93 | 38.10 | 9.53 | 254.000 |

型号 ASP-25M-CTR | 量程 | 扩展范围 | 感度 | 感测直径E | 探头直径D | 探头长度L | 最小范围 |
µm 25.4 | 10 | µm/V 2.54 | mm 1.09 | mm 9.53 | mm 25.40 | µm 1.270 | |
ASP-50M-CTR | 50.8 | 10 | 5.08 | 1.55 | 9.53 | 25.40 | 2.540 |
ASP-125M-CTR | 127.0 | 10 | 12.70 | 2.49 | 9.53 | 25.40 | 6.350 |
ASP-250M-CTR | 254.0 | 10 | 25.40 | 3.53 | 9.53 | 25.40 | 12.700 |
ASP-500M-CTR | 508.0 | 4 | 50.80 | 5.00 | 11.13 | 25.40 | 25.400 |
ASP-1250M-CTR | 1270.0 | 3 | 127.00 | 7.98 | 15.88 | 25.40 | 63.500 |
ASP-2500M-CTR | 2540.0 | 2 | 254.00 | 11.25 | 25.40 | 25.40 | 127.000 |

产品型号 ASP-1-ILA | 量程 | 扩展范围 | 感度 | 感测直径E | 探头直径D | 探头长度L | 最小范围 |
µm 25.4 | 10 | µm/V 2.54 | mm 1.09 | mm 2.36 | mm 9.53 | µm 1.270 | |
ASP-2-ILA | 50.8 | 10 | 5.08 | 1.55 | 2.84 | 9.53 | 2.540 |
ASP-5-ILA | 127.0 | 10 | 12.70 | 2.49 | 3.96 | 9.53 | 6.350 |
ASP-10-ILA | 254.0 | 10 | 25.40 | 3.53 | 5.54 | 9.53 | 12.700 |
ASP-20-ILA | 508.0 | 4 | 50.80 | 5.00 | 7.92 | 9.53 | 25.400 |
ASP-50-ILA | 1270.0 | 3 | 127.00 | 7.98 | 13.87 | 9.53 | 63.500 |
ASP-100-ILA | 2540.0 | 2 | 254.00 | 11.25 | 25.40 | 9.53 | 127.000 |
ASP-200-ILA | 5080.0 | 2 | 508.00 | 15.93 | 38.10 | 9.53 | 254.000 |



型号 ASP-0.5-CTA | 量程 | 扩展范围 | 感度 | 感测直径E | 探头直径D | 探头长度L | 最小范围 |
µm 12.7 | 20 | µm/V 1.27 | mm 0.74 | mm 6.35 | mm 63.50 | µm 0.635 | |
ASP-25M-CTA | 25.4 | 10 | 2.54 | 1.09 | 6.35 | 63.50 | 1.270 |
ASP-50M-CTA | 50.8 | 10 | 5.08 | 1.55 | 6.35 | 63.50 | 2.540 |
ASP-125M-CTA | 127.0 | 10 | 12.70 | 2.49 | 6.35 | 63.50 | 6.350 |
ASP-250M-CTA | 254.0 | 10 | 25.40 | 3.53 | 6.35 | 63.50 | 12.700 |
ASP-500M-CTA | 508.0 | 5 | 50.80 | 5.00 | 11.10 | 63.50 | 25.400 |
ASP-1250M-CTA | 1270.0 | 3 | 127.00 | 7.98 | 15.88 | 63.50 | 63.500 |
ASP-2500M-CTA | 2540.0 | 2 | 254.00 | 11.25 | 25.40 | 63.50 | 127.000 |
ASP-5000M-CTA | 5080.0 | 2 | 508.00 | 15.93 | 38.10 | 101.60 | 254.000 |
ASP-500-CTA | 12700.0 | 1 | 1270.00 | 25.22 | 82.55 | 101.60 | 635.000 |

型号 ASP-1-PCA | 量程 | 扩展范围 | 感度 | 感测直径E | 探头直径D | 探头长度L | 最小范围 |
µm 25.4 | 10 | µm/V 2.54 | mm 1.09 | mm 2.36 | mm 2.54 | µm 1.270 | |
ASP-2-PCA | 50.8 | 10 | 5.08 | 1.55 | 2.84 | 2.54 | 2.540 |
ASP-5-PCA | 127.0 | 10 | 12.70 | 2.49 | 3.96 | 2.54 | 6.350 |
ASP-10-PCA | 254.0 | 10 | 25.40 | 3.53 | 5.54 | 2.54 | 12.700 |
ASP-20-PCA | 508.0 | 4 | 50.80 | 4.98 | 7.92 | 2.54 | 25.400 |
ASP-50-PCA | 1270.0 | 3 | 127.00 | 7.98 | 13.87 | 2.54 | 63.500 |
ASP-100-PCA | 2540.0 | 2 | 254.00 | 11.25 | 25.40 | 2.54 | 127.000 |

型号 ASP-1-PCR | 量程 | 扩展范围 | 感度 | 感测直径E | 探头直径D | 探头直径L | 最小范围 |
µm 25.4 | 10 | µm/V 2.54 | mm 1.09 | mm 2.36 | mm 2.54 | µm 1.270 | |
ASP-2-PCR | 50.8 | 10 | 5.08 | 1.55 | 2.84 | 2.54 | 2.540 |
ASP-5-PCR | 127.0 | 10 | 12.70 | 2.49 | 3.96 | 2.54 | 6.350 |
ASP-10-PCR | 254.0 | 10 | 25.40 | 3.53 | 5.54 | 2.54 | 12.700 |
ASP-20-PCR | 508.0 | 4 | 50.80 | 4.98 | 7.92 | 2.54 | 25.400 |
ASP-50-PCR | 1270.0 | 3 | 127.00 | 7.98 | 13.87 | 2.54 | 63.500 |
ASP-100-PCR | 2540.0 | 2 | 254.00 | 11.25 | 25.40 | 2.54 | 127.000 |
ASP-200-PCR | 5080.0 | 2 | 508.00 | 15.93 | 38.10 | 5.08 | 254.000 |
